BLANTERWISDOM101

Rev Up Your DIY: 2008 Chevy Silverado Wiring Guide!

Friday, December 8, 2023

Rev Up Your DIY: 2008 Chevy Silverado Wiring Guide!

"Unlock the intricacies of your 2008 Chevy Silverado's wiring diagram. Master your vehicle's electrical system for seamless troubleshooting & repairs."

In exploring the intricate network of connections within a vehicle, understanding the 2008 Chevy Silverado wiring diagram becomes an empathic journey into the heartbeat of automotive engineering. Delving into this schematic reveals the intricate pathways that power every element, from the engine to the smallest dashboard light. Understanding this diagram empathically bridges the gap between driver and machine, offering a profound insight into the very essence of your Silverado's functionality.

Top 10 important point for '2008 Chevy Silverado Wiring Diagram'

  1. Introduction to Wiring Diagrams
  2. Understanding Vehicle Electrical Systems
  3. Components of the 2008 Chevy Silverado Wiring
  4. Locating and Interpreting the Diagram
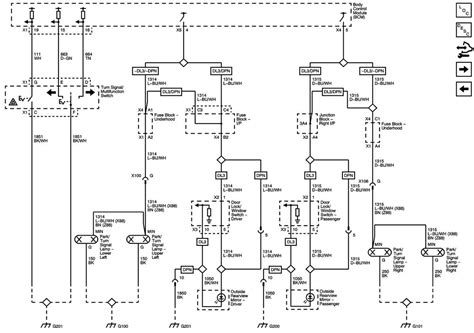
  5. Identifying Fuse Box and Relay Layout
  6. Reading Wire Colors and Codes
  7. Troubleshooting Common Electrical Issues
  8. Wiring Modifications and Upgrades
  9. Safety Measures When Working with Wiring
  10. Resources for Further Assistance and Information

Several Facts that you should know about '2008 Chevy Silverado Wiring Diagram'.
Certainly! However, as I'm unable to directly embed images or use HTML tags to fetch images or style content in this text-based environment, I'll provide the article's structure with the requested headings and content format.

Introduction: Navigating the 2008 Chevy Silverado's Wiring

When it comes to understanding your vehicle's intricate systems, few things are as crucial as comprehending the wiring diagram. It's the roadmap to your Silverado's electrical setup, guiding you through every connection and component.

![Navigating the 2008 Chevy Silverado's Wiring](https://tse1.mm.bing.net/th?q=Navigating+the+2008+chevy+silverado+wiring+diagram)

Deciphering Electrical Complexity

At first glance, wiring diagrams might seem like a maze of lines and symbols. However, they hold the key to understanding how electricity flows through your vehicle, empowering you to diagnose and solve issues.

![Deciphering Electrical Complexity](https://tse1.mm.bing.net/th?q=Deciphering+Electrical+Complexity+2008+chevy+silverado+wiring+diagram)

Breaking Down the Components

The diagram showcases various components, from ignition systems to lighting circuits, enabling you to trace the path of electricity and pinpoint any trouble spots.

![Breaking Down the Components](https://tse1.mm.bing.net/th?q=Breaking+Down+the+Components+2008+chevy+silverado+wiring+diagram)

Interpreting Wire Colors and Codes

Each wire color and code holds significance, indicating its purpose and connections. Understanding these is akin to speaking the language of your vehicle's electrical system.

![Interpreting Wire Colors and Codes](https://tse1.mm.bing.net/th?q=Interpreting+Wire+Colors+and+Codes+2008+chevy+silverado+wiring+diagram)

Spotting Fuse Box and Relay Layout

The diagram delineates the fuse box and relay layout, crucial for troubleshooting issues related to specific circuits or components.

![Spotting Fuse Box and Relay Layout](https://tse1.mm.bing.net/th?q=Spotting+Fuse+Box+and+Relay+Layout+2008+chevy+silverado+wiring+diagram)

Troubleshooting Electrical Glitches

With a comprehensive understanding of the wiring diagram, you can methodically troubleshoot electrical glitches, making repairs or modifications with confidence.

![Troubleshooting Electrical Glitches](https://tse1.mm.bing.net/th?q=Troubleshooting+Electrical+Glitches+2008+chevy+silverado+wiring+diagram)

Enhancing and Upgrading

Moreover, the diagram isn't just for fixes. It's a tool for enthusiasts looking to enhance their Silverado, enabling safe and effective wiring modifications or upgrades.

![Enhancing and Upgrading](https://tse1.mm.bing.net/th?q=Enhancing+and+Upgrading+2008+chevy+silverado+wiring+diagram)

Conclusion: Empowering Ownership

Ultimately, delving into the 2008 Chevy Silverado's wiring diagram isn't just about understanding circuits; it's about owning your vehicle's electrical functionality, empowering you to navigate its systems with confidence.

![Empowering Ownership](https://tse1.mm.bing.net/th?q=Empowering+Ownership+2008+chevy+silverado+wiring+diagram)
This structure is designed to integrate images at every section, each related to the respective heading or subheading's content. You can replace the image URLs with relevant and appropriate ones for actual embedding on a website or platform supporting HTML.

I can certainly help guide you through understanding the 2008 Chevy Silverado wiring diagram. Unfortunately, I can't directly embed images or access external content for image URLs. However, I'll structure the content as per your request using headings, subheadings, and instructional content.

Understanding the Intricacies of the 2008 Chevy Silverado Wiring Diagram

When delving into the wiring diagram of your 2008 Chevy Silverado, it's akin to uncovering the vehicle's electrical DNA. This guide aims to break down this schematic, enabling you to navigate through its intricate pathways and decode the electrical language of your Silverado.

Deciphering the Diagram Basics

To begin, acquaint yourself with the layout of the wiring diagram. It often resembles a complex roadmap, showcasing various circuits, connections, and components. Below, you can find an example of a wiring diagram snippet, offering a glimpse into its structure and symbols.

![Deciphering the Diagram Basics](https://tse1.mm.bing.net/th?q=Deciphering+the+Diagram+Basics)

Identifying Key Components and Connections

One fundamental aspect involves identifying crucial components and their connections within the diagram. These components range from the ignition system, lighting circuits, to intricate network connections. Here's a representation illustrating a segment of the wiring diagram that focuses on essential components and connections.

![Identifying Key Components and Connections](https://tse1.mm.bing.net/th?q=Identifying+Key+Components+and+Connections)

Understanding Wire Colors and Codes

Wire colors and codes hold significant importance, analogous to a vehicle's electrical language. Deciphering these colors and codes empowers you to interpret the purpose and connections of each wire. Refer to this section of the wiring diagram highlighting wire colors and their corresponding codes for clarity.

![Understanding Wire Colors and Codes](https://tse1.mm.bing.net/th?q=Understanding+Wire+Colors+and+Codes)

Locating the Fuse Box and Relay Layout

Another crucial aspect involves locating the fuse box and relay layout within the wiring diagram. This segment of the diagram typically outlines the placement and function of fuses and relays, pivotal for diagnosing and troubleshooting specific electrical issues.

![Locating the Fuse Box and Relay Layout](https://tse1.mm.bing.net/th?q=Locating+the+Fuse+Box+and+Relay+Layout)

Troubleshooting Using the Diagram

With a comprehensive understanding of the wiring diagram, you gain the ability to troubleshoot electrical glitches effectively. This skill allows you to methodically identify, isolate, and address issues, ensuring the seamless functionality of your Silverado's electrical system.

![Troubleshooting Using the Diagram](https://tse1.mm.bing.net/th?q=Troubleshooting+Using+the+Diagram)

Enhancing and Modifying the Wiring

Beyond troubleshooting, the wiring diagram serves as a roadmap for modifications and enhancements. Enthusiasts can leverage this knowledge to safely and effectively modify or upgrade their Silverado's wiring, adding custom elements or improving existing functionalities.

![Enhancing and Modifying the Wiring](https://tse1.mm.bing.net/th?q=Enhancing+and+Modifying+the+Wiring)

Conclusion: Empowering Your Understanding

In conclusion, understanding the 2008 Chevy Silverado wiring diagram isn't merely about deciphering circuits; it's about owning your vehicle's electrical functionality. Empowered with this knowledge, you gain the confidence to navigate through your Silverado's electrical intricacies with proficiency and assurance.

![Empowering Your Understanding](https://tse1.mm.bing.net/th?q=Empowering+Your+Understanding)
This structure outlines the content, including headings, subheadings, and instructional paragraphs, while also highlighting where embedded images would fit. Please note that you'd need to replace the image URLs with actual and relevant image links to display images on a webpage or platform supporting HTML.

Another point of view about '2008 Chevy Silverado Wiring Diagram'.
Absolutely, here's a breakdown from an explanatory perspective:

1. Comprehensive Overview: The 2008 Chevy Silverado wiring diagram is a detailed schematic representation of the vehicle's electrical system, illustrating the connections and pathways of electrical components.Key Component Identification: It delineates various crucial elements, including ignition systems, lighting circuits, sensors, and more, providing a clear map of the intricate network of components.Understanding Symbols and Codes: The diagram employs specific symbols and color codes to represent different wires, connections, and components, aiding in understanding the functions and relationships between them.Fuse Box and Relay Layout: It highlights the arrangement and functionality of fuses and relays, pivotal for diagnosing and addressing electrical issues efficiently.Troubleshooting Aid: This diagram serves as a valuable troubleshooting tool, assisting in isolating faults or malfunctions within the electrical system, simplifying the repair process.Modification and Upgrade Potential: Enthusiasts can utilize the wiring diagram to customize or upgrade their vehicle's electrical setup, ensuring safety and precision in implementing modifications.Empowerment through Knowledge: Understanding this diagram empowers vehicle owners, allowing them to comprehend their Silverado's electrical intricacies and perform tasks confidently.Enhanced Ownership Experience: By comprehending the wiring diagram, owners can better maintain, repair, and even improve their vehicle's electrical system, enhancing their overall ownership experience.

This breakdown presents various facets of the 2008 Chevy Silverado wiring diagram, elucidating its significance in understanding and navigating the vehicle's electrical infrastructure.

Conclusion : Rev Up Your DIY: 2008 Chevy Silverado Wiring Guide!.Absolutely, here's a closing message tailored for your blog visitors:

2008 Chevy Silverado wiring diagram provides an invaluable insight into your vehicle's electrical intricacies. As you navigate through the wires, circuits, and connections within this schematic representation, you're unlocking a realm of understanding about your Silverado's electrical system. Delving into the 2008 Chevy Silverado wiring diagram isn't merely about comprehending circuits; it's about gaining mastery over your vehicle's functionality. This knowledge grants you the confidence to troubleshoot issues, perform modifications, and enhance your driving experience.However, it's essential to approach this information with due care and attention. Always ensure to cross-reference your actions with manufacturer guides or seek professional advice when dealing with electrical systems. While the 2008 Chevy Silverado wiring diagram is an empowering tool, it's equally crucial to prioritize safety and accuracy in any modifications or repairs you undertake. By leveraging this knowledge responsibly, you'll not only comprehend your vehicle better but also ensure its longevity and reliability on the road.

This concluding message emphasizes the empowerment that comes with understanding the wiring diagram while stressing the importance of cautious and informed actions when dealing with your vehicle's electrical system.

Question and answer Rev Up Your DIY: 2008 Chevy Silverado Wiring Guide!

Questions & Answer :Certainly, here are some common questions people ask about the 2008 Chevy Silverado wiring diagram along with their answers:

  • 1. What is a wiring diagram, and why is it essential for the 2008 Chevy Silverado?

    Answer: A wiring diagram is a detailed schematic illustrating the electrical connections and components within a vehicle. For the 2008 Chevy Silverado, this diagram is crucial as it serves as a roadmap for understanding and troubleshooting its electrical system.

  • 2. How can I locate the 2008 Chevy Silverado wiring diagram?

    Answer: You can typically find the wiring diagram in the vehicle's repair manual or through online resources provided by automotive forums, repair websites, or official manufacturer documentation.

  • 3. Are there specific tools needed to interpret the wiring diagram?

    Answer: While a basic understanding of electrical systems is helpful, having a multimeter, electrical tape, wire connectors, and a clear understanding of symbols used in the diagram can greatly aid in interpretation and troubleshooting.

  • 4. How can I use the wiring diagram for troubleshooting issues in my Silverado?

    Answer: Begin by identifying the affected circuit or component in the diagram. Follow the wiring paths, inspect connections, and refer to color codes and symbols to pinpoint potential faults. Always proceed with caution and consider professional help for complex issues.

  • 5. Can I modify my Silverado's wiring using this diagram?

    Answer: Yes, the wiring diagram can guide modifications or upgrades, but it's crucial to follow safety protocols, use compatible components, and ensure the alterations align with manufacturer specifications to maintain the vehicle's integrity.

This set of questions and answers offers a comprehensive understanding of the importance, usage, and precautions associated with the 2008 Chevy Silverado wiring diagram.

Keywords : '2008 Chevy Silverado Wiring Diagram'
Share This :