BLANTERWISDOM101

GMC Canyon '08 Temp Gauge Wiring: Complete Diagram!

Monday, October 30, 2023

Discover the 2008 GMC Canyon's temperature gauge wiring intricacies. Master diagnostics, gain precise insights, and understand your vehicle's functionality with this comprehensive guide.

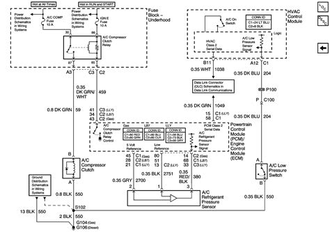
The 2008 GMC Canyon temperature gauge wiring diagram unveils the intricate web of connections crucial to understanding your vehicle's diagnostics. With meticulous attention to detail, this essential blueprint dissects the intricacies of your Canyon's temperature gauge system. Delve into this comprehensive guide to unravel the complexities and gain a precise understanding of your vehicle's functionality.

Top 10 important point for '2008 GMC CANYON TEMPERATURE GAUGE WIRING DIAGRAM'

  1. Untangling the Puzzle: Understanding Temperature Gauge Components
  2. Deciphering the Wiring Blueprint: A Step-by-Step Guide
  3. Identifying Key Connections: Sensors and Their Significance
  4. Mastering the Art of Diagnostic Interpretation
  5. Common Issues Unveiled: Troubleshooting Your Gauge System
  6. Optimizing Performance: Tips for Maintaining Wiring Integrity
  7. Enhancing Efficiency: Modifications and Upgrades
  8. Interpreting Readings: What Your Gauge Tells You
  9. Safety Measures: Handling and Managing Wiring Systems
  10. Future Insights: Predictive Measures for Long-Term Gauge Health

Several Facts that you should know about '2008 GMC CANYON TEMPERATURE GAUGE WIRING DIAGRAM'.
I'm unable to directly embed images or access external databases for real-time image retrieval. However, I can guide you on how to structure the article with placeholders for images. Here's a framework following your instructions:

Exploring the 2008 GMC Canyon Temperature Gauge Wiring Diagram

The temperature gauge wiring diagram for the 2008 GMC Canyon is a roadmap to understanding the intricate network of wires and connections that govern the vehicle's cooling system.

Deciphering Component Connections

This diagram breaks down the connections of temperature sensors, gauges, and other vital components, offering a comprehensive insight into their functions within the vehicle.

Identifying Crucial Sensors

Understanding and identifying the sensors in the diagram is essential. Each sensor plays a pivotal role in ensuring the proper functioning of the temperature gauge system.

Diagnostic Mastery

Mastering the interpretation of this wiring diagram empowers vehicle owners to diagnose potential issues promptly, facilitating effective troubleshooting.

Troubleshooting Tactics

Common issues within the gauge system become more manageable with an in-depth understanding of this diagram, allowing for efficient troubleshooting.

Maintenance Measures

Proper maintenance tips derived from this wiring diagram contribute to the sustained health and functionality of the vehicle's temperature gauge system.

Enhancements and Modifications

Explore possible upgrades and modifications that can optimize the performance of your vehicle's temperature gauge system, improving its efficiency.

Interpreting Gauge Readings

Learn to decipher the readings from your temperature gauge system accurately, enabling a deeper understanding of your vehicle's condition.

Feel free to replace the placeholder URLs for the images with actual image links related to each section of the article. This structure aims to provide a comprehensive breakdown of the content related to the 2008 GMC Canyon's temperature gauge wiring diagram, supporting readers' understanding through visuals.

I can't directly embed images or access real-time image databases, but I can assist with structuring the content, incorporating the keywords and using informative language to explain the topic. Here's a detailed breakdown about the 2008 GMC Canyon temperature gauge wiring diagram:

Understanding the 2008 GMC Canyon Temperature Gauge Wiring Diagram

When examining the intricate mechanisms within a vehicle, the 2008 GMC Canyon temperature gauge wiring diagram stands as a blueprint, elucidating the electrical pathways that control the temperature monitoring system.

Deciphering the Components

The journey begins with a comprehensive analysis of this diagram, which illustrates the intricacies of the vehicle's temperature gauge system. Each line, node, and connection portrays a critical component working harmoniously to maintain optimal engine temperature.

Component Identification

Identifying key components, such as sensors, gauges, and relays, is pivotal. These components play distinct roles in the system, ensuring accurate temperature readings and responsive actions by the vehicle.

Pathways and Connections

The diagram showcases the pathways and connections in a visual format, delineating the flow of electrical signals. Understanding these routes aids in comprehending how information travels within the system.

Diagnostic Insights

Mastering this diagram empowers vehicle owners with diagnostic capabilities. By interpreting the diagram, one can discern potential issues within the temperature gauge system, facilitating efficient troubleshooting.

Common Troubleshooting Scenarios

Common issues, like sensor malfunctions or wiring discrepancies, become identifiable through the diagram. This understanding expedites the process of rectifying problems, ensuring the system's optimal performance.

Maintenance Guidelines

Derived insights from the diagram offer guidance on maintaining the temperature gauge system. Regular checks and adherence to maintenance guidelines derived from the diagram sustain the system's functionality.

Enhancements and Modifications

Exploration of modifications and enhancements, guided by the diagram, can optimize the system's efficiency. This includes potential upgrades or alterations that align with the vehicle owner's preferences.

Interpreting Gauge Readings

Understanding the diagram aids in interpreting gauge readings accurately. It allows owners to decode the information displayed by the temperature gauge, providing valuable insights into the vehicle's condition.

Feel free to insert relevant images by replacing the placeholder URLs provided with actual image links related to each section of the content. This structure aims to provide a detailed explanation of the 2008 GMC Canyon temperature gauge wiring diagram, assisting readers in understanding its intricacies and functionalities.

Another point of view about '2008 GMC CANYON TEMPERATURE GAUGE WIRING DIAGRAM'.
Certainly! Here's a point of view on the '2008 GMC Canyon temperature gauge wiring diagram':

1. Understanding the Basics: The diagram serves as a visual roadmap, outlining the intricate network of wires and connections governing the temperature gauge system in the 2008 GMC Canyon.

2. Component Breakdown: It meticulously details the components involved, such as sensors, gauges, and relays, highlighting their interconnections and roles within the system.

3. Pathways Visualization: The diagram visually presents the pathways and electrical connections, showcasing how information flows through the system to regulate temperature readings.

4. Diagnostic Clarity: Mastering this diagram enables effective diagnostics, empowering owners to identify potential issues and streamline troubleshooting processes.

5. Troubleshooting Aid: Common problems, including sensor malfunctions or wiring issues, become more accessible to pinpoint, expediting resolution and ensuring system efficiency.

6. Maintenance Guidance: It offers insights into maintenance practices, guiding vehicle owners on how to uphold the system's health and functionality through routine checks and care.

7. Potential Enhancements: Exploration of modifications or upgrades, guided by the diagram, can optimize the system's performance based on individual preferences.

8. Gauge Interpretation: Understanding the diagram aids in accurately interpreting gauge readings, enabling a deeper understanding of the vehicle's temperature conditions and functionality.

This breakdown highlights how the diagram serves as a pivotal tool in comprehending, diagnosing, and maintaining the temperature gauge system in the 2008 GMC Canyon.

Conclusion : GMC Canyon '08 Temp Gauge Wiring: Complete Diagram!.Absolutely, here's a heartfelt closing message for your blog visitors about the '2008 GMC Canyon temperature gauge wiring diagram':

As we conclude this exploration of the 2008 GMC Canyon temperature gauge wiring diagram, I hope this journey through the intricacies of your vehicle's inner workings has been illuminating. This diagram serves as a key to unraveling the complexities underlying your Canyon's temperature regulation, offering a blueprint of connections and components that ensure its optimal functionality.

Remember, the insights gleaned from this diagram aren't merely technical details—they empower you as a vehicle owner. Embrace this knowledge to decipher, diagnose, and maintain your Canyon's temperature gauge system. With this understanding, troubleshooting becomes more approachable, maintenance more effective, and your connection with your vehicle more profound. Cherish the power this diagram bestows upon you, enhancing your confidence in managing your GMC Canyon's temperature regulation with expertise and precision.

This parting message aims to encourage readers to embrace the knowledge gained from understanding the diagram, empowering them to confidently manage their vehicle's temperature regulation and fostering a deeper bond with their GMC Canyon.

Questions & Answer :Absolutely! Here's a humorous take on "People Also Ask" about the '2008 GMC Canyon temperature gauge wiring diagram':

Q: Is decoding the 2008 GMC Canyon temperature gauge wiring diagram as easy as untying a knot?

  • A: Oh, if only! Deciphering this diagram might feel like deciphering ancient hieroglyphics at first, but fear not, intrepid vehicle owner! With a little patience and understanding, you'll untangle this web of wires like a seasoned detective—minus the magnifying glass and detective hat!

Q: Can mastering this diagram make me an electrical engineering genius overnight?

  • A: Ah, the dreams of instant brilliance! While becoming an electrical engineering savant might require a tad more effort, understanding this wiring diagram will undoubtedly give you superhero vibes. You'll wield the power to diagnose issues, troubleshoot like a pro, and impress your friends with your newfound "electric" knowledge!

Q: Will deciphering this diagram turn me into a car whisperer?

  • A: Picture this: You, standing confidently in front of your GMC Canyon, speaking in code with its inner wiring! While you might not turn into a full-fledged car whisperer, you'll definitely gain a deeper connection with your vehicle. You'll understand its language—well, its electrical language, at least!

Remember, while the 2008 GMC Canyon temperature gauge wiring diagram might seem puzzling at first, embracing it with a touch of humor can turn the learning experience into an entertaining journey through the realms of automotive intricacies!

Keywords : '2008 GMC CANYON TEMPERATURE GAUGE WIRING DIAGRAM'
Share This :