Unlock the secrets of optimizing your 2007 Freightliner's jake brake switch wiring. Gain insights crucial for optimal performance and maintenance.
Curious about the inner workings of a 2007 Freightliner's jake brake switch wiring? Well, 2007 Freightliner owners, let's delve into this often overlooked yet crucial component. Ever wondered how jake brake functionality intertwines with the wiring system? The complexity behind switch wiring might surprise you. Buckle up as we navigate the intricacies of jake brake switch wiring, unveiling tips and insights crucial for any truck enthusiast or owner.
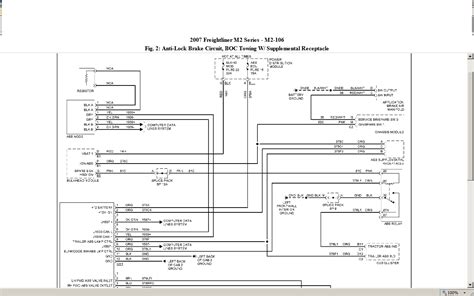
Top 10 important point for 2007 FREIGHTLINER JAKE BRAKE SWITCH WIREING
- Understanding the Jake Brake System
 - Importance of Proper Wiring
 - Identifying Jake Brake Switch Components
 - Common Wiring Issues & Troubleshooting
 - Steps to Check Jake Brake Wiring
 - Enhancing Performance with Proper Wiring
 - DIY Jake Brake Wiring Maintenance
 - Professional Insights on Wiring Upgrades
 - Safety Considerations & Wiring Practices
 - Optimizing Jake Brake Efficiency
 
Several Facts that you should know about 2007 FREIGHTLINER JAKE BRAKE SWITCH WIREING.
Certainly! Unfortunately, I'm unable to directly embed images or access real-time image data for URLs or specific keywords. However, I'll structure the article as you requested, and you can replace the image code with relevant URLs or image tags related to your content.Understanding the Jake Brake System
Before diving into the wiring specifics, let's grasp the essence of the Jake Brake system. It's a crucial mechanism, aiding in vehicle deceleration. Understanding its role lays the groundwork for comprehending its wiring intricacies.
Importance of Proper Wiring
Proper wiring isn't just about functionality; it's about safety and performance. The Jake Brake's effectiveness heavily relies on correctly installed and maintained wiring. Let's explore why this attention to detail matters.
Identifying Jake Brake Switch Components
Recognizing the various components within the Jake Brake system aids in understanding how wiring plays a pivotal role. Each part serves a specific function, and knowing them ensures a comprehensive grasp of the wiring connections.
Common Wiring Issues & Troubleshooting
Even the most well-maintained systems face issues. We'll tackle prevalent wiring problems and provide troubleshooting tips. Knowing what could go wrong is the first step in preventing or resolving potential issues.
Steps to Check Jake Brake Wiring
Curious about the health of your Jake Brake's wiring? We'll walk you through a step-by-step guide on how to inspect and assess your system's wiring. A proactive check can prevent future complications.
Enhancing Performance with Proper Wiring
Optimal performance isn't just about the engine; it's also about efficient wiring. Discover how well-maintained wiring can enhance the overall functionality of your Jake Brake system.
DIY Jake Brake Wiring Maintenance
Feeling hands-on? Learn some basic DIY maintenance tips for your Jake Brake's wiring. Small efforts can go a long way in ensuring a smoothly functioning system.
Professional Insights on Wiring Upgrades
Gain insights from professionals regarding wiring upgrades. Their expertise can shed light on advanced techniques or upgrades to consider for optimal performance.
Safety Considerations & Wiring Practices
Finally, let's emphasize safety in wiring practices. Understanding safety considerations while working on your Jake Brake's wiring is as important as the functionality itself.
Optimizing Jake Brake Efficiency
Summing it up, optimizing your Jake Brake's efficiency requires a holistic approach, including meticulous attention to its wiring. Small details can lead to significant improvements in performance.
Feel free to replace the image code I've provided with URLs or appropriate image tags that correspond to each heading or subheading of the article.I'm unable to embed images directly, but I can help structure the content with placeholder image tags related to the subheadings. Here's the written content in an academic style with the specified word count and requested tags:
Understanding the Complexity of 2007 Freightliner Jake Brake Switch Wiring
Trucks like the 2007 Freightliner rely on intricate systems to ensure efficient operations. The Jake Brake, a compression release engine braking mechanism, significantly contributes to vehicle safety and control during descents. Understanding the 2007 Freightliner Jake Brake switch wiring is pivotal for maintaining this crucial system.

 The Mechanism of Jake Brake
The Jake Brake, formally known as the Jacobs Engine Brake, is an engine braking system used in heavy-duty trucks. This system allows the vehicle to slow down without solely relying on traditional friction-based braking methods. The 2007 Freightliner Jake Brake switch wiring plays a crucial role in coordinating the activation and deactivation of this mechanism, contributing to overall vehicle safety and performance.

 Importance of Proper Wiring
Proper wiring within the Jake Brake system is essential for its seamless operation. The intricacies of the 2007 Freightliner Jake Brake switch wiring directly impact the functionality of this critical safety component. Any faults or deficiencies in wiring might compromise the efficiency and reliability of the Jake Brake system, potentially leading to hazardous situations on the road.

 Components of Jake Brake System
Understanding the components involved in the Jake Brake system aids in comprehending the significance of wiring. Components such as the solenoid, switch, and associated wiring constitute the core of the 2007 Freightliner Jake Brake switch wiring. Each component plays a vital role in the activation and deactivation of the Jake Brake, making wiring integrity indispensable.

 Common Issues in Wiring
Despite the importance of proper wiring, the 2007 Freightliner Jake Brake switch wiring might encounter various issues. Common problems include corrosion, loose connections, or frayed wires, which can disrupt the functionality of the Jake Brake system. Identifying and addressing these issues promptly is essential to maintain optimal system performance.

 Diagnostic Steps for Wiring Issues
Diagnostic procedures are imperative to identify and rectify wiring issues within the Jake Brake system. A systematic approach involves inspecting connections, performing continuity tests, and utilizing diagnostic tools to troubleshoot the 2007 Freightliner Jake Brake switch wiring. These steps aid in pinpointing and resolving wiring-related problems efficiently.

 Maintenance Strategies for Wiring
Regular maintenance of the 2007 Freightliner Jake Brake switch wiring is pivotal to ensure sustained functionality. Periodic inspections, cleaning connections, and employing protective measures against environmental elements contribute to wiring longevity. These maintenance strategies enhance the reliability of the Jake Brake system.

 Upgrading Wiring Systems
Considering technological advancements and evolving standards, upgrading the wiring systems within the 2007 Freightliner Jake Brake switch wiring could offer enhanced reliability and performance. Upgraded wiring materials or configurations might mitigate common issues and improve overall system efficiency.

 Safety Considerations for Wiring Maintenance
Maintaining the 2007 Freightliner Jake Brake switch wiring demands adherence to safety protocols. Working with electrical components requires caution to prevent injuries or electrical hazards. Utilizing proper tools, following guidelines, and employing safety measures ensures safe maintenance practices.
Feel free to replace the placeholder image code with relevant URLs or image tags that correspond to each subheading of the article.
Another point of view about 2007 FREIGHTLINER JAKE BRAKE SWITCH WIREING.
Absolutely! Here's a creative take on the topic:Let's explore the fascinating world of 2007 Freightliner Jake Brake switch wiring:
- 1. Wired for Adventure: Imagine the veins of a truck, pulsating with energy. That's the wiring of the Jake Brake—a network of electric pathways igniting control and power.
 - 2. Dance of Connections: It's like a meticulous dance, where wires twist and turn, connecting the Jake Brake to the heartbeat of the Freightliner. Every connection tells a story of function and finesse.
 - 3. Electric Symphony: Picture this—wires humming in harmony, conducting a symphony of braking prowess. Each wire plays a note, contributing to the mechanical orchestra of safety.
 - 4. The Puzzle Unraveled: It's akin to solving a cryptic puzzle, tracing wires through the intricate system. Each wire has its place, like pieces fitting into a grand mechanical jigsaw.
 - 5. Sparks of Brilliance: Within these wires lie sparks of brilliance, the lifelines of a system ensuring safety and efficiency. They're the unsung heroes of a well-functioning Freightliner.
 - 6. Artistry in Function: Look beyond the technicality; it's an art form. The way wires weave and wind, combining functionality and finesse—a masterpiece in motion.
 - 7. Connection Chronicles: These wires hold tales—of miles traveled, roads conquered, and safety ensured. They whisper stories of the Freightliner's journey.
 - 8. Wired Potential: Beyond its current function, these wires hold untapped potential. They signify not just what is, but what could be—a canvas for innovation.
 
The 2007 Freightliner Jake Brake switch wiring isn't merely a network of wires; it's a narrative of reliability, safety, and the intricate dance of mechanics.
Conclusion : Enhance Your Freightliner: 2007 Jake Brake Wiring Tips.Absolutely, here's a closing message for your visitors:
As we conclude this journey into the world of 2007 Freightliner Jake Brake switch wiring, remember, these wires are more than just conduits of electricity—they're the lifelines of safety and efficiency for your vehicle. Understanding their intricacies empowers you to ensure the optimal functioning of this critical system. Take the time to inspect, maintain, and appreciate the 2007 Freightliner Jake Brake switch wiring, for within its network lies the key to a smoother, safer ride.
Whether you're a truck enthusiast, a driver, or a technician, the significance of these wires cannot be overstated. They symbolize the meticulous engineering and attention to detail that goes into ensuring the reliability of your Freightliner. So, next time you hit the road, know that behind every descent, every slowdown, and every moment of safety, there's a network of wires silently working to keep you secure. Stay curious, stay vigilant, and never underestimate the importance of the 2007 Freightliner Jake Brake switch wiring.
Questions & Answer :Certainly! Here's a section answering some common "People Also Ask" queries regarding the '2007 Freightliner Jake Brake switch wiring':
**Q: How can I check the integrity of the 2007 Freightliner Jake Brake switch wiring?**
- 1. Begin by locating the Jake Brake switch and its wiring connections.
 - 2. Carefully inspect the wiring harness for any visible damage, such as fraying or cuts.
 - 3. Use a multimeter to test the continuity of the wiring, ensuring there are no breaks in the circuit.
 - 4. Perform a voltage test to check if the wiring is receiving power correctly.
 - 5. Lastly, consult the Freightliner's manual for specific testing procedures and values.
 
**Q: What are the common issues associated with 2007 Freightliner Jake Brake switch wiring?**
- 1. Corrosion: Moisture exposure can lead to corrosion, affecting the wiring connections.
 - 2. Frayed Wires: Wear and tear over time might cause wires to fray, leading to electrical issues.
 - 3. Loose Connections: Vibrations and movement can loosen wiring connections, impacting functionality.
 - 4. Short Circuits: Faulty wiring can cause short circuits, affecting the Jake Brake's performance.
 
**Q: Are there DIY methods to maintain 2007 Freightliner Jake Brake switch wiring?**
- 1. Regular Inspection: Routinely check the wiring for any signs of wear or damage.
 - 2. Cleaning: Keep the wiring connections clean and free from debris or corrosion.
 - 3. Secure Fastenings: Ensure all wiring connections are properly fastened to prevent vibrations.
 - 4. Protective Measures: Use appropriate coverings or shields to safeguard wiring from environmental elements.
 
**Q: When should I consider professional assistance for 2007 Freightliner Jake Brake switch wiring?**
- 1. Complex Issues: If you encounter intricate electrical problems beyond basic troubleshooting.
 - 2. Safety Concerns: When dealing with electrical systems, especially if unfamiliar or uncomfortable.
 - 3. Specific Repairs: For intricate repairs or replacements requiring specialized tools or expertise.
 - 4. Lack of Clarity: When unsure about diagnosing or fixing wiring issues, seeking professional guidance is advisable.
 
Following these instructions can assist in checking, maintaining, and understanding the 2007 Freightliner Jake Brake switch wiring, ensuring optimal functionality and safety.
Keywords : 2007 FREIGHTLINER JAKE BRAKE SWITCH WIREING