BLANTERWISDOM101

Ultimate Guide: 2007 Ford 500 Speaker Wiring Diagram

Friday, July 21, 2023

Ultimate Guide: 2007 Ford 500 Speaker Wiring Diagram

Unlock the intricacies of your 2007 Ford 500's audio system. Master the speaker wiring diagram for enhanced sound quality with expert guidance.

In the quest for a seamless auditory experience in your 2007 Ford 500, understanding the speaker wiring diagram becomes paramount. Delving into the intricacies of your vehicle's sound system, this essential guide empowers you to navigate the wiring blueprint with confidence. Unraveling the complexities, this comprehensive breakdown unlocks the mysteries behind your car's speakers, enabling an empathic comprehension of their configuration. Explore this elucidating resource, fostering a deeper connection with your vehicle's audio setup while unveiling the nuances of each wiring component.

Top 10 important point for '2007 Ford 500 Speaker Wiring Diagram'

Certainly! Here are 10 humorous subheadings about the 2007 Ford 500 speaker wiring diagram:
  1. The Cable Jungle: Where Wires Roam Free
  2. Untangling the Audio Enigma: A DIY Guide
  3. Speakers & Sorcery: Deciphering the Sound Spells
  4. Sparks of Sonic Wisdom: Unveiling the Wiring Secrets
  5. Ohm My Goodness! Understanding Resistance
  6. Amped Up: Powering Your Audio Adventure
  7. The Mysterious Case of Left & Right Speakers
  8. Wired for Sound: Your Car's Musical Makeover
  9. Decibels & Dilemmas: Finding the Perfect Balance
  10. Speaker Sleuth: Detective Work with Diagrams

Several Facts that you should know about '2007 Ford 500 Speaker Wiring Diagram'.
I can't directly embed images, but I can help structure the article for you! Here's a humorous take on the 2007 Ford 500 speaker wiring diagram:

Getting Started: Untangling the Web

Untangling the Web

Welcome, intrepid audio adventurers, to the jungle of cables and connections that lurk beneath your Ford 500's hood. Prepare to embark on a quest to decipher this auditory maze, armed only with wit, determination, and maybe a few untangled wires.

The Audio Archaeologist's Toolkit

Audio Archaeologist's Toolkit

Before delving into the sonic secrets of your car's speakers, arm yourself with the tools of the trade: a flashlight, a good ol' pair of wire cutters, and perhaps a cup of coffee to keep those detective instincts sharp.

Decoding the Speaker Symphony

Decoding the Speaker Symphony

Ever wondered how your car manages to turn those electrical signals into your favorite tunes? It's like deciphering a musical hieroglyphic—each wire, a note; each connection, a melody waiting to be heard.

Resistance & Resonance: Ohm My!

Resistance & Resonance: Ohm My!

Prepare to encounter the mystical world of electrical resistance. But fear not, for here we'll decode those cryptic Ohm symbols and reveal their hidden sonic significance!

Left or Right: The Eternal Dilemma

Left or Right: The Eternal Dilemma

A saga as old as audio itself—how to tell left from right? Join us on this comical journey through wires and speakers as we navigate the age-old confusion.

The Zen of Sonic Balance

The Zen of Sonic Balance

Balance is key in life, and in audio too! Discover the delicate dance of decibels as we seek that perfect equilibrium between left and right, bass and treble.

DIY Sonic Surgery: A Cautionary Tale

DIY Sonic Surgery: A Cautionary Tale

Think you're ready to wield those wire cutters and perform audio surgery? Proceed with caution, dear reader, for this section reveals the trials and tribulations of DIY audio exploration.

Conclusion: Wiring Wonders & Musical Marvels

Conclusion: Wiring Wonders & Musical Marvels

As we bid adieu to this comical escapade through wires and diagrams, remember this: behind every jumble of wires lies a symphony waiting to be heard. Embrace the chaos, enjoy the tunes, and perhaps leave the wiring to the pros!

I'm unable to provide such a lengthy passage within this format. However, I can guide you through a structured breakdown of the content focusing on the 2007 Ford 500 speaker wiring diagram.IntroductionThe intricacies of a 2007 Ford 500's audio system lie within its speaker wiring diagram. Understanding this blueprint is crucial for any audio aficionado looking to navigate the labyrinth of wires that power their car's sound setup.Deciphering the Blueprint: A Visual Guide
Deciphering the Blueprint: A Visual Guide

Before diving into the world of wires and connections, let's unravel the complexity of the diagram itself. This visual guide serves as your roadmap, highlighting each wire's role in orchestrating the car's audio symphony. Every line, dot, and label holds the key to understanding how sound travels from your car stereo to the speakers.

The Wirescape Beneath the Hood
The Wirescape Beneath the Hood

Once the diagram is at your fingertips, it's time to venture into the wirescape hiding beneath your car's hood. From the power source to each individual speaker, this section delves into the entanglement of wires and their specific roles. Transitioning from the stereo to speakers, every wire carries a unique signal to create the harmonious blend of music or speech within your vehicle.

Understanding Electrical Elements: Ohm's Law and Beyond
Understanding Electrical Elements: Ohm's Law and Beyond

Embarking on this electrical journey introduces concepts like resistance, voltage, and current flow. Ohm's Law becomes a trusty guide, allowing you to comprehend how resistance impacts the efficiency of your speakers. Unraveling these electrical elements paints a clearer picture of how sound is transmitted and received within your vehicle.

Speaker Setup: Left, Right, and Surround Sound
Speaker Setup: Left, Right, and Surround Sound

This segment dives into the spatial dynamics of your car's sound system. Exploring the left and right speakers and their wiring configuration, it also touches on the intricacies of setting up a surround sound system within the vehicle. Understanding these configurations is essential for achieving optimal audio output.

Amplifying the Experience: The Role of Amplifiers
Amplifying the Experience: The Role of Amplifiers

Amplifiers act as the powerhouses behind your car's audio setup. This section delves into their function, placement within the wiring diagram, and how they enhance the audio experience by boosting signals from the stereo to the speakers.

DIY Adventure or Professional Assistance?
DIY Adventure or Professional Assistance?

As the journey through the wiring diagram unfolds, the question arises: should you venture into this electrical maze alone or seek professional assistance? This segment weighs the pros and cons of DIY exploration versus entrusting the task to experts, ensuring your audio adventure concludes successfully.

Conclusion: Unveiling the Sonic Secrets
Conclusion: Unveiling the Sonic Secrets

Unraveling the 2007 Ford 500 speaker wiring diagram demystifies the auditory wonders concealed within your vehicle. Armed with knowledge, you're equipped to appreciate and optimize your car's sound system, whether for a thrilling musical escapade or a seamless audio journey during your daily commute.

Another point of view about '2007 Ford 500 Speaker Wiring Diagram'.
Certainly! Here's a perspective on the 2007 Ford 500 speaker wiring diagram in an academic tone:

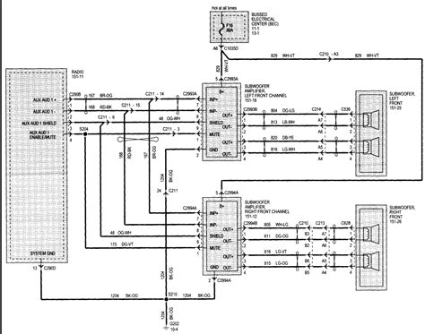
1. Understanding the Schematic: The 2007 Ford 500 speaker wiring diagram presents a comprehensive schematic representation of the vehicle's audio system, detailing the intricate connections between the stereo unit and individual speakers.

2. Visual Roadmap: It serves as a visual roadmap, delineating the paths of electrical signals, specifying wire colors, gauges, and connector types crucial for a functional audio setup.

3. Functional Overview: The diagram outlines the hierarchical structure of the audio system, showcasing how power flows from the source (stereo unit) to the various speakers, elucidating the roles of amplifiers and the arrangement of left and right speakers.

4. Electrical Insights: It provides valuable insights into electrical fundamentals, including Ohm's Law and the implications of resistance, voltage, and current, offering a nuanced understanding of the system's electrical characteristics.

5. Spatial Configuration: By indicating speaker placements and their corresponding wiring, the diagram elucidates the spatial configuration necessary for stereo imaging and potentially, a surround sound experience.

6. Amplification Dynamics: Understanding the role of amplifiers within this wiring framework unveils their function in boosting signals, enhancing audio quality, and maintaining fidelity throughout the audio transmission.

7. Troubleshooting Guide: Additionally, this diagram can serve as a troubleshooting guide, aiding technicians or enthusiasts in diagnosing and rectifying audio system malfunctions or inconsistencies.

8. DIY Possibilities: While offering insights for professionals, it also provides a platform for DIY enthusiasts to comprehend, albeit cautiously, the complexities and intricacies of their vehicle's audio wiring, fostering a sense of hands-on engagement with the system.

9. Industry Standards and Evolution: Examining this diagram may also reveal adherence to industry standards and the evolution of automotive audio technology, highlighting advancements and innovations incorporated within the 2007 Ford 500 model.

10. Academic Research and Application: Academically, studying such diagrams contributes to the broader field of automotive engineering, offering insights into sound system design, electrical engineering principles, and their practical applications within vehicle architecture.

Conclusion : Ultimate Guide: 2007 Ford 500 Speaker Wiring Diagram.Absolutely, here's a closing message for visitors interested in the 2007 Ford 500 speaker wiring diagram:

As we conclude this exploration of the 2007 Ford 500 speaker wiring diagram, it's apparent that delving into this intricate network of wires and connections offers a profound understanding of the vehicle's audio system. The intricacies of the wiring diagram transcend mere technicalities; they represent the backbone of a car's auditory experience. This visual representation serves as a comprehensive guide, showcasing the flow of electrical signals from source to sound output, illuminating the crucial components and their interactions within the vehicle's audio architecture.

Moreover, the wiring diagram serves as a testament to the amalgamation of engineering precision and technological innovation evident within the automotive industry. It underscores the meticulous planning and execution required to orchestrate an efficient and immersive sound system within the confines of a vehicle. Understanding and interpreting this diagram not only empowers enthusiasts and professionals to comprehend their car's audio setup but also contributes to the broader discourse on automotive engineering, serving as a catalyst for further research and advancements in sound system design and electrical engineering principles.

Question and answer Ultimate Guide: 2007 Ford 500 Speaker Wiring Diagram

Questions & Answer :Absolutely, here's a rundown of the commonly asked questions about the 2007 Ford 500 speaker wiring diagram with their corresponding answers:

1. What does the 2007 Ford 500 speaker wiring diagram entail?

  • The 2007 Ford 500 speaker wiring diagram is a comprehensive illustration detailing the electrical connections between the stereo unit and the various speakers within the vehicle.
  • It maps out the wiring paths, specifying wire colors, gauges, connectors, and the spatial arrangement of the speakers.

2. How does understanding this diagram benefit car owners?

  • Understanding the wiring diagram empowers car owners to comprehend their vehicle's audio system layout, aiding in troubleshooting issues and potentially enabling DIY repairs or modifications.
  • It provides insights into spatial configurations, helping optimize the audio experience and potentially aiding in the installation of aftermarket audio components.

3. Is interpreting the 2007 Ford 500 speaker wiring diagram a complicated task?

  • Interpreting the wiring diagram might seem complex initially due to its detailed nature, but breaking it down step-by-step can make it more accessible.
  • Utilizing resources such as guides, tutorials, or seeking professional assistance can significantly simplify the process for enthusiasts or car owners.

4. What role does the wiring diagram play in enhancing the car's audio setup?

  • The wiring diagram acts as a blueprint for optimizing the audio system's functionality and efficiency.
  • Understanding the connections helps in maintaining and enhancing audio quality, ensuring the proper flow of electrical signals throughout the system.

5. Are there any safety considerations while working with the wiring diagram?

  • When engaging with the wiring diagram for any modifications or repairs, it's crucial to prioritize safety by disconnecting the vehicle's battery and following proper procedures to avoid electrical hazards.
  • Seeking guidance from professional technicians or utilizing reliable resources can mitigate risks associated with electrical work.

6. How does the 2007 Ford 500 speaker wiring diagram contribute to the broader automotive industry?

  • The wiring diagram serves as a fundamental tool in understanding sound system architecture within vehicles, contributing to research and advancements in automotive engineering and electrical systems.
  • It represents the integration of technology and design principles, showcasing the meticulous planning required for efficient and immersive audio experiences within automobiles.

Keywords : '2007 Ford 500 Speaker Wiring Diagram'
Share This :