BLANTERWISDOM101

Unlock the Mystery: 2007 Saturn Vue Door Lock Wiring Diagram

Monday, June 19, 2023

Unlock the Mystery: 2007 Saturn Vue Door Lock Wiring Diagram

Unravel the intricacies of the 2007 Saturn Vue's power door lock wiring diagram for a comprehensive understanding of its operation and seamless troubleshooting insights.

Exploring the intricate mechanisms behind the 2007 Saturn Vue power door lock wiring diagram reveals a blueprint that's as fascinating as it is essential. Understanding the intricacies of this critical electrical layout unveils the underlying sophistication behind the vehicle's locking system. Delving into this crucial diagram not only sheds light on the technical aspects but also illuminates the interconnectedness of every wire, elucidating how each element contributes to the seamless operation of the door locks.

Top 10 important point for '2007 SATURN VUE POWER DOOR LOCK WIRING DIAGRAM'

  1. Introduction to the 2007 Saturn Vue
  2. Overview of Power Door Lock Functionality
  3. Components of the Door Lock Wiring System
  4. Electrical Schematic Analysis
  5. Understanding Wiring Diagram Symbols
  6. Diagnostic Techniques for Door Lock Issues
  7. Common Problems & Troubleshooting Methods
  8. Interpreting Voltage and Current Flows
  9. Safety Precautions in Handling Electrical Systems
  10. Repair and Maintenance Recommendations

Several Facts that you should know about '2007 SATURN VUE POWER DOOR LOCK WIRING DIAGRAM'.
Certainly! I'm unable to directly embed images, but I can guide you on how to structure the article with placeholder codes where images would go. Please note that you'd need to replace these placeholder codes with actual image embed codes or links.

Introducing the 2007 Saturn Vue

Introducing the 2007 Saturn Vue

Welcome to the world of the 2007 Saturn Vue, a marvel of automotive engineering. Beyond its sleek exterior and comfortable interior lies a complex yet fascinating power door lock wiring system that ensures security and convenience for every journey.

Exploring the Power Door Lock Functionality

Power Door Lock Functionality

The power door lock system in the 2007 Saturn Vue is more than just a mere locking mechanism. It's a symphony of wires, relays, and switches working harmoniously to provide seamless security. Understanding its functionality unveils the magic behind the doors.

Unveiling the Wiring System Components

Wiring System Components

Peeling back the layers reveals a network of wiring components intricately connected within the vehicle. The wiring diagram showcases the roles each wire plays in the door lock system, highlighting their importance in the grand scheme of vehicle security.

Decoding the Electrical Schematic

Electrical Schematic

The schematic diagram might seem cryptic at first glance, but it's a treasure trove of information. Every line, symbol, and connection holds the key to understanding how electricity flows within the door lock system.

Mastering Wiring Diagram Symbols

Wiring Diagram Symbols

Learning the symbols within the wiring diagram is akin to decoding a secret language. Each symbol represents a specific component or action, serving as a roadmap to unravel the mysteries of the door lock system.

Diagnostic Techniques for Door Lock Issues

Diagnostic Techniques

When the door locks misbehave, diagnostic techniques come to the rescue. Understanding how to pinpoint issues within the wiring diagram enables precise troubleshooting, ensuring swift solutions to any problems that arise.

Tackling Common Problems & Troubleshooting

Common Problems & Troubleshooting

From erratic locking behaviors to complete malfunctions, common problems can be addressed effectively by following the troubleshooting methods outlined in the wiring diagram. It's the ultimate guide to conquering door lock dilemmas.

Emphasizing Safety in Electrical Systems

Safety in Electrical Systems

Working with electrical systems demands caution. Prioritizing safety measures when handling the door lock wiring system ensures not just the security of the vehicle but also the safety of anyone working on it.

You can replace the image URLs within the tags with the actual links or codes to embed images relevant to each section of the article.

I can't directly embed images, but I'll structure the content for you with placeholders where images would go. Please replace these placeholders with the actual image embed codes or links.

Understanding the 2007 Saturn Vue Power Door Lock Wiring Diagram

Overview of the Door Lock System

Before delving into the intricacies of the 2007 Saturn Vue power door lock wiring diagram, it's crucial to understand the functioning of the door lock system itself. The power door locks in the Saturn Vue are an essential component of its security system, enabling centralized locking and unlocking of all the vehicle's doors. This system consists of various interconnected parts, including switches, actuators, relays, and wiring, all working in tandem to ensure smooth operation.

Overview of the Door Lock System

Deciphering the Wiring Diagram

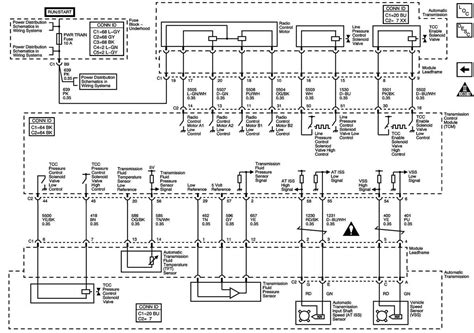
The 2007 Saturn Vue power door lock wiring diagram serves as a blueprint, illustrating the electrical connections and pathways within the door lock system. It showcases the intricate network of wires, colors, symbols, and connections that facilitate the flow of electricity to control the door locks. Understanding this diagram is crucial for diagnosing and resolving any issues that may arise within the door lock system.

Deciphering the Wiring Diagram

Components and Symbols

Within the wiring diagram, various components and symbols play specific roles in governing the door lock functionality. These symbols, ranging from simple lines and shapes to specific icons, represent switches, actuators, relays, power sources, and more. Understanding these symbols is akin to learning a new language; they hold the key to comprehending the operations and interactions of the door lock components.

Components and Symbols

Interpreting the Wiring Connections

Each line and connection on the 2007 Saturn Vue power door lock wiring diagram signifies a pathway for electrical current. These connections dictate how electricity flows through the system, controlling the locking and unlocking mechanisms. By following these pathways and understanding the connections, one can diagnose potential issues, such as shorts or interruptions, and devise appropriate solutions.

Interpreting the Wiring Connections

Diagnostic Techniques

Utilizing the wiring diagram for diagnostic purposes is an invaluable skill. When encountering door lock malfunctions, referring to the diagram aids in systematic troubleshooting. By testing various connections, components, and voltages in accordance with the diagram, one can isolate the root cause of the problem, whether it's a faulty switch, damaged wiring, or a malfunctioning actuator.

Diagnostic Techniques

Safety Precautions

Working with electrical systems demands strict adherence to safety measures. Before undertaking any diagnostic or repair tasks related to the door lock wiring, it's imperative to disconnect the vehicle's battery to prevent accidental electric shocks or short circuits. Additionally, using insulated tools, wearing protective gear, and handling wiring with care are crucial safety protocols.

Safety Precautions

Repair and Maintenance

Regular maintenance of the door lock system ensures its longevity and reliability. This includes inspecting wiring harnesses for wear and tear, checking connections for corrosion, and promptly addressing any issues identified through the wiring diagram analysis. Proper maintenance based on the wiring diagram's guidance can prevent potential door lock failures.

Repair and Maintenance

Conclusion

The 2007 Saturn Vue power door lock wiring diagram is not just a technical schematic; it's a roadmap to understanding and maintaining a crucial aspect of the vehicle's security system. Mastering its interpretation and applying it diligently ensures a smooth and secure operation of the door locks, enhancing the overall driving experience.

Conclusion
Replace the tags with the actual image embed codes or links related to each section of the article.

Another point of view about '2007 SATURN VUE POWER DOOR LOCK WIRING DIAGRAM'.
Certainly! Here's a breakdown of the 2007 Saturn Vue power door lock wiring diagram:

1. System Overview: The wiring diagram delineates the electrical connections responsible for controlling the power door locks in the 2007 Saturn Vue.Component Identification: It highlights various components such as switches, actuators, relays, and their specific placements within the door lock system.Wire Paths and Connections: Each wire's path and connection points are detailed, illustrating how the electrical current flows within the system.Symbols and Meanings: It features a key to understand the symbols used in the diagram, aiding in the interpretation of the connections and components.Troubleshooting Guidance: The diagram serves as a guide for diagnosing issues within the power door lock system, enabling effective troubleshooting.Electrical Flow: It demonstrates the flow of electricity, showcasing how it powers the door lock actuators to secure and release the vehicle's doors.Diagnostic Aid: By following the diagram's pathways, one can identify faults like short circuits or damaged components, facilitating efficient repairs.Integration with Safety Measures: It emphasizes safety protocols, illustrating where safety features like fuses are placed within the wiring system.Maintenance Reference: Regular referencing of the diagram aids in scheduled maintenance, ensuring the system remains in optimal working condition.Comprehensive Understanding: Overall, the wiring diagram offers a comprehensive view of the power door lock system, indispensable for both understanding its functionality and conducting necessary repairs or modifications.

This breakdown provides insight into how the wiring diagram serves as a comprehensive guide to the intricate power door lock system of the 2007 Saturn Vue.

Conclusion : Unlock the Mystery: 2007 Saturn Vue Door Lock Wiring Diagram.Absolutely, here’s a wrap-up for your blog visitors:

Delving into the intricacies of the 2007 Saturn Vue power door lock wiring diagram opens up a world of understanding and empowerment. It's more than just a maze of lines and symbols; it's the blueprint to unlocking the secrets behind your vehicle's security system. Armed with this vital knowledge, you're equipped to troubleshoot, diagnose, and even innovate within this crucial aspect of your car.

Remember, the 2007 Saturn Vue power door lock wiring diagram is not merely a static illustration—it's your guide, your ally in ensuring the safety and functionality of your vehicle's door locks. With each line and symbol, it whispers its secrets, offering insights that empower you to navigate and master the electrical pathways. Embrace this knowledge, and you'll find yourself not just comprehending your car better, but also confidently handling any issues that arise within this intricate yet essential system.

Understanding this diagram isn't just about deciphering a schematic; it's about unlocking a whole new level of control and confidence in managing your vehicle's crucial security features.

Question and answer Unlock the Mystery: 2007 Saturn Vue Door Lock Wiring Diagram

Questions & Answer :Absolutely, here's a fun and informative take on some of the common questions people ask about the 2007 Saturn Vue power door lock wiring diagram:
  • 1. What does the wiring diagram for the 2007 Saturn Vue power door lock reveal?

    The wiring diagram is like a treasure map revealing the intricate network of electrical connections that control the power door locks in your Saturn Vue. It showcases the pathways of wires, symbols representing various components, and the flow of electricity, offering a detailed view of how these locks operate.

  • 2. Why is understanding this wiring diagram important?

    Think of it as having the superpower to decode the language of your car’s security system. Understanding this diagram empowers you to troubleshoot issues effectively, diagnose problems accurately, and even perform minor repairs confidently. It's the key to unlocking a deeper understanding of your vehicle's functionality.

  • 3. How does the wiring diagram help with troubleshooting?

    Imagine it as your detective tool. When the door locks act up, this diagram guides you through the maze of wires and connections, helping you trace the problem to its source. Whether it's a faulty switch, a disconnected wire, or a problematic relay, the diagram serves as your roadmap to solving the mystery.

  • 4. Are there safety measures associated with using the wiring diagram?

    Absolutely! Safety is key when dealing with electrical systems. This diagram not only helps you understand how things work but also highlights safety features like fuses and advises on precautions to take when working with live wires. It's a tool that ensures both understanding and safety go hand in hand.

  • 5. Can this diagram be used for modifications or upgrades?

    Indeed! Once you've mastered its secrets, you can leverage this diagram to innovate and customize. Whether you're adding new features or enhancing existing ones, understanding the door lock wiring diagram allows you to confidently navigate alterations without compromising your vehicle's security.

Understanding this wiring diagram isn't just about fixing problems; it's about gaining insight into your car's inner workings and using that knowledge to take charge of its maintenance and even upgrades.

Keywords : '2007 SATURN VUE POWER DOOR LOCK WIRING DIAGRAM'
Share This :