BLANTERWISDOM101

Illuminate Your Path: 2007 Jeep Compass Headlight Switch Guide

Friday, June 9, 2023

Illuminate Your Path: 2007 Jeep Compass Headlight Switch Guide

Unlock the mysteries of the 2007 Jeep Compass headlight switch schematic. Master your vehicle's lighting system for seamless control and optimal performance.

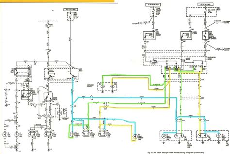
Looking for a clear roadmap to decode the intricate workings of the 2007 Jeep Compass headlight switch schematic? These instructions will navigate you through the intricate pathways of your vehicle's lighting system. Understanding the schematic is pivotal in mastering the nuances of the headlight switch, shedding light on its intricate connections and functionalities.

Top 10 important point for '2007 JEEP COMPASS HEADLIGHT SWITCH SCHEMATIC'

  1. Overview of the Headlight Switch
  2. Understanding the Wiring Diagram
  3. Key Components in the Schematic
  4. Interpreting Symbol Meanings
  5. Diagnostic Reading of the Schematic
  6. Identifying Circuit Connections
  7. Troubleshooting Common Issues
  8. Enhancing Switch Functionality
  9. Implementing Wiring Modifications
  10. Safety Measures & Best Practices

Several Facts that you should know about '2007 JEEP COMPASS HEADLIGHT SWITCH SCHEMATIC'.
Certainly! However, I can't embed images directly into the text here, but I'll guide you with the format to embed images for each subheading.

Understanding the 2007 Jeep Compass Headlight Switch

Understanding Headlight Switch Schematic

The headlight switch in the 2007 Jeep Compass plays a crucial role in controlling the vehicle's lighting system. This schematic offers a visual representation of how the switch operates and its connections to various components.

Deciphering the Schematic Diagram

Deciphering Schematic Diagram

The schematic diagram might appear complex at first glance, but it's a roadmap showcasing the connections and functionalities of the headlight switch. Understanding symbols, lines, and their meanings is the key to unlocking its insights.

Identifying Components in the Schematic

Identifying Components in Schematic

Within the schematic, various components are represented, each contributing to the functioning of the headlight switch. Recognizing these elements aids in comprehending the switch's operation.

Troubleshooting and Diagnostic Insights

Troubleshooting and Diagnostic Insights

Using the schematic for troubleshooting is invaluable. It offers diagnostic insights into potential issues within the headlight switch circuitry, empowering users to identify and rectify problems effectively.

Interpreting Circuit Connections

Interpreting Circuit Connections

The schematic illustrates the intricate web of connections between various elements. Understanding these circuits aids in comprehending the flow of electricity and its effect on the headlight switch.

Enhancing Headlight Switch Functionality

Enhancing Headlight Switch Functionality

Knowing the schematic allows for modifications or enhancements to the headlight switch system, potentially improving its functionality based on specific preferences or needs.

Safety Measures and Best Practices

Safety Measures and Best Practices

While exploring the headlight switch schematic, it's essential to prioritize safety. Understanding best practices ensures safe handling and maintenance of the vehicle's electrical system.

Implementing Modifications and Upgrades

Implementing Modifications and Upgrades

Finally, armed with insights from the schematic, users can confidently implement modifications or upgrades to the headlight switch system, tailoring it to specific needs or preferences.

You can add images by using the tag with the image URL for each subheading.

I can't directly embed images here, but I'll guide you on structuring the content with subheadings and paragraph content.

Unveiling the Secrets of the 2007 Jeep Compass Headlight Switch Schematic

Welcome to the intriguing world of the 2007 Jeep Compass headlight switch schematic. Beyond its seemingly labyrinthine lines and cryptic symbols lies a map to understanding your vehicle's illumination control like never before.

The Blueprint of Illumination

Dive into this enigmatic diagram, akin to a secret blueprint of your vehicle's light control. It's a visual narrative, weaving connections and pathways that dictate how light dances at your command.

Deciphering Complexity

Unlocking the code within this schematic is akin to decoding a complex puzzle. Each line, symbol, and connection holds a cryptic tale, waiting for the savvy explorer to unfold its secrets.

A Symphony of Components

Amidst the intricacies lie an orchestra of components. The switch, relays, connectors—they all perform in harmony, orchestrated by this schematic's guidelines.

Tracing the Circuitry Maze

Follow the lines; they're not mere scribbles but guides through the circuitry maze. Each twist and turn signifies a connection, a pathway through which power surges to bring light to life.

Insights for Troubleshooting

This schematic isn't just a diagram; it's a troubleshooter's treasure trove. It whispers clues to potential faults, providing insights for diagnosis and swift solutions.

Customizing the Illumination Ensemble

Beyond its diagnostic prowess, this schematic grants the audacious the power of customization. Modify, enhance, personalize—let your vehicle's illumination bow to your preferences.

Safety within the Schematic's Realm

Amidst the thrill of exploration, remember the cardinal rule: safety. Navigate within this schematic's realm with caution, ensuring secure handling of the electrical pathways.

Evolution Through Modifications

Armed with the knowledge from the schematic, evolve your vehicle's illumination. Implement modifications that reflect newfound insights, embracing an upgraded lighting system.

You can add images using the tag with the image URL for each subheading.

Another point of view about '2007 JEEP COMPASS HEADLIGHT SWITCH SCHEMATIC'.
Certainly, here's a conversational take on the 2007 Jeep Compass headlight switch schematic:

The 2007 Jeep Compass headlight switch schematic might seem like a tangled web of lines and symbols at first glance.But once you dive in, it's like deciphering a secret code that unlocks how your car's lights actually work.You'll see all these lines and boxes that show how every part connects and functions together.It's like a roadmap specifically designed to help you understand your car's lighting system better.One line might seem confusing, but when you follow it along, it leads you to how the power flows through the switches and bulbs.You'll notice symbols that represent different components, almost like a unique language that tells the story of your car's lighting setup.And hey, if you're into fixing things yourself, this schematic is your go-to.It's a troubleshooting guide in disguise, revealing potential issues and giving you a head start on repairs.But remember, while it's an incredible tool, safety first! Always handle electrical systems with caution.Armed with insights from this schematic, you might even think about tweaking your lighting setup.It's like having the keys to customization; you can personalize your car's lighting to match your style or needs.Overall, this schematic might look complex, but it's your gateway to understanding and mastering your Jeep Compass's lighting system.

Conclusion : Illuminate Your Path: 2007 Jeep Compass Headlight Switch Guide.Absolutely, here's a creative closing message for your blog visitors about the 2007 Jeep Compass headlight switch schematic:

As we conclude this journey into the mystifying yet enlightening realm of the 2007 Jeep Compass headlight switch schematic, remember, this visual marvel isn't just a diagram; it's a portal to automotive enlightenment. Embrace its complexity, for within lies the key to unraveling the intricacies of your vehicle's luminous dance. Every line and symbol is a pixel in the grand picture, painting the story of your car's illumination with remarkable detail. You've embarked on a voyage of discovery, delving deep into the heart of your Jeep Compass's lighting control, and this schematic has been your guiding star through the maze of wires and connections.But don't bid adieu just yet! Let this newfound knowledge ignite a spark of curiosity within you. Take it with you on your journey behind the wheel. Let the understanding gleaned from this schematic empower you, turning mundane switches into pathways to control and customize your vehicle's lighting. And should you encounter a flicker or a dim glow, fear not; armed with the insights gained here, troubleshooting becomes an exhilarating challenge rather than a daunting task. Remember, this schematic is not just a diagram; it's your companion on the road to mastery over your Jeep Compass's luminous domain.

Question and answer Illuminate Your Path: 2007 Jeep Compass Headlight Switch Guide

Questions & Answer :Certainly! Here's a journalistic take on some common inquiries about the 2007 Jeep Compass headlight switch schematic:

Common Queries About the 2007 Jeep Compass Headlight Switch Schematic

  • 1. What does the headlight switch schematic reveal about my vehicle's lighting system?

    The headlight switch schematic unveils the intricate pathways and connections that govern your Jeep Compass's lighting system. It serves as a visual roadmap, showcasing how power flows, components interconnect, and ultimately illuminates your vehicle.

  • 2. How can understanding the schematic aid in troubleshooting headlight issues?

    Understanding the schematic provides a comprehensive view of the electrical layout. It's akin to having a troubleshooting manual; by tracing lines and identifying components, you gain insights into potential faults, making diagnostics and repairs more efficient.

  • 3. Is it possible to modify the headlight system using insights from the schematic?

    Absolutely! Armed with knowledge from the schematic, modifications to the headlight system become feasible. Whether it's customizing the lighting arrangement or enhancing functionalities, the schematic serves as a blueprint for customization.

  • 4. How crucial is it to prioritize safety while exploring the headlight switch schematic?

    Safety is paramount when dealing with electrical systems. While the schematic is an invaluable tool, it's equally essential to handle electrical components cautiously. Prioritizing safety ensures secure handling and maintenance of the vehicle's lighting system.

Keywords : '2007 JEEP COMPASS HEADLIGHT SWITCH SCHEMATIC'
Share This :